elecena.pl

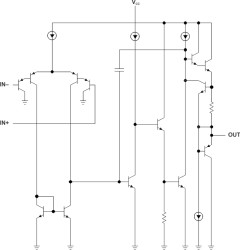
Single, 30-V, 800-kHz operational amplifier

Texas Instruments

Single, 30-V, 800-kHz operational amplifier RSS Sample
  • Darmowa próbka
MPN:
TS321
Producent:
TEXAS INSTRUMENTS
Dodany do bazy:
Ostatnio widziany:

The TS321 is a bipolar operational amplifier for cost-sensitive applications in which space savings are important.

Elecena nie prowadzi sprzedaży elementów elektronicznych, ani w niej nie pośredniczy.

Produkt pochodzi z oferty sklepu