elecena.pl

4-Channel Automotive Digital Amplifiers

Texas Instruments

4-Channel Automotive Digital Amplifiers RSS Sample
  • Darmowa próbka
MPN:
TAS5414A
Producent:
TEXAS INSTRUMENTS
Dodany do bazy:
Ostatnio widziany:

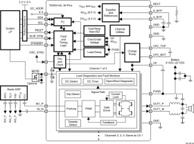
The TAS5414A and TAS5424A are four-channel digital audio amplifiers designed for use in automotive head units and external amplifier modules. The TAS5414A and TAS5424A provide four channels at 23 W continuously into 4 Ω at less than 1% THD+N from a 14.4-V supply. Each channel can also deliver 38 W into 2 Ω at 1% THD+N. The TAS5414A uses single-ended analog inputs, while the TAS5424A employs differential inputs for increased immunity to common-mode system noise. The digital PWM topology of the TAS5414A and TAS5424A provides dramatic improvements in efficiency over traditional linear amplifier solutions. This reduces the power dissipated by the amplifier by a factor of ten under typical music playback conditions. The TAS5414A and TAS5424A incorporate all the functionality needed to perform in the demanding OEM applications area. They have built-in load diagnostic functions for detecting and diagnosing misconnected outputs to help to reduce test time during the manufacturing process.

Elecena nie prowadzi sprzedaży elementów elektronicznych, ani w niej nie pośredniczy.

Produkt pochodzi z oferty sklepu