Automotive, 15-W, 2-ch, 8- to 26-V supply analog input Class-D audio amplifier w/ SpeakerGuard™
Texas Instruments
RSS
Sample
- Darmowa próbka
- MPN:
- TPA3110D2-Q1
- Producent:
- TEXAS INSTRUMENTS
- Dodany do bazy:
- Ostatnio widziany:
Sugerowane produkty dla speakerguard
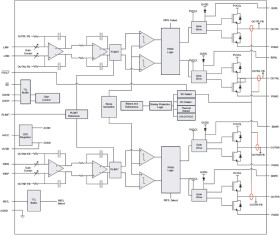
The TPA3110D2-Q1 is a 15-W (per channel) efficient, Class-D audio power amplifier for driving bridged-tied stereo speakers. Advanced EMI suppression technology enables the use of inexpensive ferrite bead filters at the outputs while meeting EMC requirements. SpeakerGuard protection circuitry includes an adjustable power limiter and a DC detection circuit. The adjustable power limiter allows the user to set a virtual voltage rail lower than the chip supply to limit the amount of current through the speaker. The DC detect circuit measures the frequency and amplitude of the PWM signal and shuts off the output stage if the input capacitors are damaged or shorts exist on the inputs.
The TPA3110D2-Q1 can drive stereo speakers as low as 4 Ω. The high efficiency of the device, 90%, eliminates the need for an external heat sink when playing music.
The outputs are also fully protected against shorts to GND, VCC, and output-to-output. The short-circuit protection and thermal protection includes an auto-recovery feature.
Elecena nie prowadzi sprzedaży elementów elektronicznych, ani w niej nie pośredniczy.
Produkt pochodzi z oferty sklepu Texas Instruments