elecena.pl

15-W stereo, 8- to 23-V supply, PWM input open loop Class-D audio amplifier

Texas Instruments

15-W stereo, 8- to 23-V supply, PWM input open loop Class-D audio amplifier RSS Sample
  • Darmowa próbka
MPN:
TAS5103
Producent:
TEXAS INSTRUMENTS
Dodany do bazy:
Ostatnio widziany:

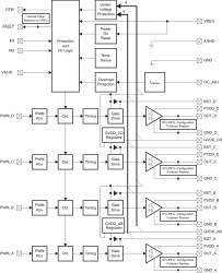
The TAS5102/TAS5103 are integrated stereo digital amplifier power stages with an advanced protection system. The TAS5102/TAS5103 are capable of driving an 8-Ω bridge-tied load (BTL) at up to 20 W/15 W per channel with low integrated noise at the output, low THD+N performance, and low idle power dissipation.

A low-cost, high-fidelity audio system can be built using a TI chipset, comprising a modulator (e.g., TAS5086) and the TAS5102/TAS5103. This system only requires a simple passive LC demodulation filter to deliver high-quality, high-efficiency audio amplification with proven EMI compliance. These devices require two power supplies, at 3.3 V for VREG, and up to 23 V for PVDD. The TAS5102/TAS5103 does not require power-up sequencing due to internal power-on reset. The efficiency of this digital amplifier is greater than 90% into 8 Ω, which enables the use of smaller power supplies and heatsinks.

The TAS5102/3 has an innovative protection system integrated on chip, safeguarding the device against a wide range of fault conditions that could damage the system. These safeguards are short-circuit protection, overcurrent protection, undervoltage protection, and overtemperature protection. The TAS5102/TAS5103 has a new proprietary current-limiting circuit that reduces the possibility of device shutdown during high-level music transients.

Elecena nie prowadzi sprzedaży elementów elektronicznych, ani w niej nie pośredniczy.

Produkt pochodzi z oferty sklepu