elecena.pl

60-V, 2.3-A, quad low-side motor driver with step/dir control

Texas Instruments

60-V, 2.3-A, quad low-side motor driver with step/dir control RSS Sample
  • Darmowa próbka
MPN:
DRV8805
Producent:
TEXAS INSTRUMENTS
Dodany do bazy:
Ostatnio widziany:

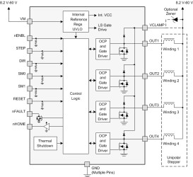
The DRV8805 provides an integrated solution for driving unipolar stepper motors. It includes four low-side drivers with overcurrent protection and provides built-in diodes to clamp turnoff transients generated by the motor windings.

Indexer logic to control a unipolar stepper motor using a simple step/direction interface is also integrated. Three stepping modes are supported: 2 phase (full-step), 1-2 phase (half-step), and 1-phase (wave drive).

In the SOIC (DW) package, the DRV8805 can supply up to 1.5-A (one channel on) or 800-mA (all channels on) continuous output current per channel, at 25°C. In the HTSSOP (PWP) package, it can supply up to 2-A (one channel on) or 1-A (four channels on) continuous output current per channel, at 25°C with proper PCB heatsinking.

Internal shutdown functions are provided for overcurrent protection, short-circuit protection, under voltage lockout, and overtemperature, and faults are indicated by a fault output pin.

The DRV8805 is available in a 20-pin thermally-enhanced SOIC package and a 16-pin HTSSOP package (Eco-friendly: RoHS & no Sb/Br).

Elecena nie prowadzi sprzedaży elementów elektronicznych, ani w niej nie pośredniczy.

Produkt pochodzi z oferty sklepu