elecena.pl

Automotive, 34-V, 1-A, bipolar dual stepper or quad H-bridge motor driver with current regulation

Texas Instruments

Automotive, 34-V, 1-A, bipolar dual stepper or quad H-bridge motor driver with current regulation RSS Sample
  • Darmowa próbka
MPN:
DRV8823-Q1
Producent:
TEXAS INSTRUMENTS
Dodany do bazy:
Ostatnio widziany:

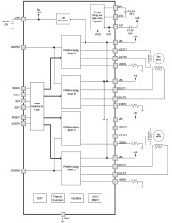
The DRV8823-Q1 device provides an integrated motor driver solution for printers and other office automation equipment applications.

The motor driver circuit includes four H-bridge drivers. Each of the motor driver blocks employ N-channel power MOSFETs configured as an H-bridge to drive the motor windings.

A simple serial interface allows control of all functions of the motor driver with only a few digital signals. A low-power sleep function is also provided.

The motor drivers provide PWM current control capability. The current is programmable, based on an externally supplied reference voltage and an external current sense resistor. In addition, eight current levels (set through the serial interface) allow microstepping with bipolar stepper motors.

Internal shutdown functions are provided for overcurrent protection, short-circuit protection, undervoltage lockout, and overtemperature.

The DRV8823-Q1 is packaged in a 48-pin HTSSOP package (Eco-friendly: RoHS and no Sb/Br).

Elecena nie prowadzi sprzedaży elementów elektronicznych, ani w niej nie pośredniczy.

Produkt pochodzi z oferty sklepu