elecena.pl

45-V, 5-A H-bridge motor driver with current regulation with phase/enable control

Texas Instruments

45-V, 5-A H-bridge motor driver with current regulation with phase/enable control RSS Sample
  • Darmowa próbka
MPN:
DRV8840
Producent:
TEXAS INSTRUMENTS
Dodany do bazy:
Ostatnio widziany:

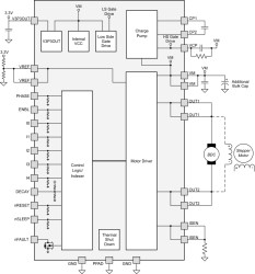
The DRV8840 provides an integrated motor driver solution for printers, scanners, and other automated equipment applications. The device has one H-bridge driver, and is intended to drive one DC motor. The output driver block for each consists of N-channel power MOSFETs configured as full H-bridges to drive the motor windings. The DRV8840 can supply up to 5-A peak or 3.5-A output current (with proper heatsinking at 24 V and 25°C).

A simple parallel digital control interface is compatible with industry-standard devices. Decay mode is programmable to allow braking or coasting of the motor when disabled.

Internal shutdown functions are provided for overcurrent protection, short-circuit protection, undervoltage lockout, and overtemperature.

The DRV8840 is available in a 28-pin HTSSOP package with PowerPAD™ (Eco-friendly: RoHS & no Sb/Br).

Elecena nie prowadzi sprzedaży elementów elektronicznych, ani w niej nie pośredniczy.

Produkt pochodzi z oferty sklepu