elecena.pl

Stereo CODEC with line-out (S/W Control)

Texas Instruments

Stereo CODEC with line-out (S/W Control) RSS Sample
  • Darmowa próbka
MPN:
PCM3000
Producent:
TEXAS INSTRUMENTS
Dodany do bazy:
Ostatnio widziany:

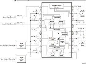
The PCM3000/3001 is a low-cost, single-chip stereo audio codec (analog-to-digital and digital-to-analog converter) with single-ended analog voltage input and output. Both ADCs and DACs employ delta-sigma modu- lation with 64-times oversampling. The ADCs include a digital decimation filter and the DACs include an 8-times oversampling digital interpolation filter. TheDACs also include digital attenuation, de-emphasis, infinite zero detection and soft mute to form a complete subsystem. The PCM3000/3001 operates with left-justified, right-justified, I2S or DSP data formats.

The PCM3000 can be programmed with a three-wire serial interface for special features and data formats. The PCM3001 can be pin-programmed for data formats.

The PCM3000 and PCM3001 are fabricated using a highly advanced CMOS process and are available in a small 28-pin SSOP package. The PCM3000/3001 are suitable for a wide variety of cost-sensitive consumer applications where good performance is required.

Elecena nie prowadzi sprzedaży elementów elektronicznych, ani w niej nie pośredniczy.

Produkt pochodzi z oferty sklepu