Low-Power Audio CODEC with embedded miniDSP and Stereo Class-D Speaker Amplifier
Texas Instruments
RSS
Sample
- Darmowa próbka
- MPN:
- TLV320AIC3111
- Producent:
- TEXAS INSTRUMENTS
- Dodany do bazy:
- Ostatnio widziany:
Sugerowane produkty dla with16
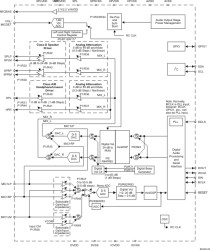
The TLV320AIC3111 is a low-power, highly integrated, high-performance codec which provides a stereo audio DAC and mono audio ADC.
The TLV320AIC3111 features a high-performance audio codec with 16-bit stereo playback and monaural record functionality. The device integrates several analog features, such as a microphone interface, headphone drivers, and speaker drivers.
The TLV320AIC3111 has a fully programmable miniDSP for digital audio processing. The digital audio data format is programmable to work with popular audio standard protocols (I2S, left-/ right-justified) in master, slave, DSP, and TDM modes. Bass boost, treble, or EQ can be supported by the programmable digital signal-processing block.
An on-chip PLL provides the high-speed clock needed by the digital signal processing block. The volume level can be controlled by either pin control or by register control. The audio functions are controlled using the I2C serial bus.
The TLV320AIC3111 has a programmable beep generator and is available in a 32-pin QFN package.
This data manual is designed using PDF document-viewing features that allow quick access to information. For example, performing a global search on "page 0 / register 27" produces all references to this page and register in a list. This makes it easy to traverse the list and find all information related to a page and register. Note that the search string must be of the indicated format. Also, this document includes document hyperlinks to allow the user to find a document reference quickly. To come back to the original page, click the green left arrow near the PDF page number at the bottom of the file. The hot-key for this function is alt-left arrow on the keyboard. Another way to find information quickly is to use the PDF bookmarks.
Elecena nie prowadzi sprzedaży elementów elektronicznych, ani w niej nie pośredniczy.
Produkt pochodzi z oferty sklepu Texas Instruments