elecena.pl

Audio CODEC with USB Interface, Mono Microphone Input and Stereo Headphone Output

Texas Instruments

Audio CODEC with USB Interface, Mono Microphone Input and Stereo Headphone Output RSS Sample
  • Darmowa próbka
MPN:
PCM2912A
Producent:
TEXAS INSTRUMENTS
Dodany do bazy:
Ostatnio widziany:

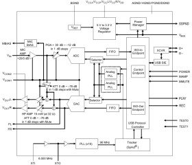
The PCM2912A is the Texas Instruments single-chip, USB stereo audio codec with a USB, 2.0-compliant, full-speed protocol controller and an analog front-end (AFE) function for headset applications.

The USB protocol controller works with no software code, but USB descriptors can be modified on request. The PCM2912A employs SpAct™ architecture, TI’s unique system that recovers the audio clock from USB packet data. On-chip analog PLLs with SpAct enables independent playback and record sampling rates with low clock jitters.

Elecena nie prowadzi sprzedaży elementów elektronicznych, ani w niej nie pośredniczy.

Produkt pochodzi z oferty sklepu