elecena.pl

4-Wire Touch Screen Controller with Low-Power Mono ADC/Stereo DAC

Texas Instruments

4-Wire Touch Screen Controller with Low-Power Mono ADC/Stereo DAC RSS Sample
  • Darmowa próbka
MPN:
TSC2117
Producent:
TEXAS INSTRUMENTS
Dodany do bazy:
Ostatnio widziany:

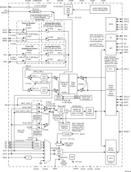
The TSC2117 is a low-power, highly integrated, high-performance codec and touch-screen controller which features stereo class-D speaker amplifiers, a stereo audio DAC, mono audio ADC, and a SAR ADC.

The TSC2117 supports 16-bit stereo playback and monaural record functionality. The device integrates several analog features, such as a microphone interface, headphone drivers, and speaker drivers. The TSC2117 has two fully programmable miniDSPs for digital audio processing. The digital audio data format is programmable to work with popular audio standard protocols (I2S, left/right-justified) in master, slave, DSP, and TDM modes. Bass boost, treble, or EQ are supported by the preprogrammed modes of the programmable digital signal-processing block. An on-chip PLL provides the high-speed clock needed by the digital signal-processing block. The volume level can be controlled by either a pin control or by register control.

The TSC2117 has a 12-bit SAR ADC converter that supports a four-wire resistive touch-screen complete with drivers. All functions can be controlled by an I2C or SPI interface. A programmable beep generator is included. An on-chip processor is used in the touch-screen mode and provides extensive features specifically designed to reduce the host-processor and interface-bus overhead. The TSC2117 has three dedicated analog inputs for system voltage measurements, with an on-chip temperature sensor that can be read by the SAR ADC, and is available in a 7-mm × 7-mm 48-pin QFN package.

This data manual is designed using PDF document-viewing features that allow quick access to information. For example, performing a global search on, e.g., "page 0/register 15" produces all references to this page and register in a list. This makes is easy to traverse the list and find all information related to a page and register. Note that the search string must be of the indicated format. Also, this document includes document hyperlinks to allow the user to quickly find a document reference. To come back to the original page, click the green left arrow near the PDF page number at the bottom of the file. The hot-key for this function is alt-left arrow on the keyboard. Another way to find information quickly is to use the PDF bookmarks.

Elecena nie prowadzi sprzedaży elementów elektronicznych, ani w niej nie pośredniczy.

Produkt pochodzi z oferty sklepu