Digital Signal Processor
Texas Instruments
RSS
Sample
- Darmowa próbka
- MPN:
- TMS320VC5416
- Producent:
- TEXAS INSTRUMENTS
- Dodany do bazy:
- Ostatnio widziany:
Sugerowane produkty dla tms320vc5416
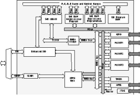
The TMS320VC5416 fixed-point, digital signal processor (DSP) (hereafter referred to as the 5416 unless otherwise specified) is based on an advanced modified Harvard architecture that has one program memory bus and three data memory buses. This processor provides an arithmetic logic unit (ALU) with a high degree of parallelism, application-specific hardware logic, on-chip memory, and additional on-chip peripherals. The basis of the operational flexibility and speed of this DSP is a highly specialized instruction set.
Separate program and data spaces allow simultaneous access to program instructions and data, providing a high degree of parallelism. Two read operations and one write operation can be performed in a single cycle. Instructions with parallel store and application-specific instructions can fully utilize this architecture. In addition, data can be transferred between data and program spaces. Such parallelism supports a powerful set of arithmetic, logic, and bit-manipulation operations that can all be performed in a single machine cycle. The device also includes the control mechanisms to manage interrupts, repeated operations, and function calls.
Elecena nie prowadzi sprzedaży elementów elektronicznych, ani w niej nie pośredniczy.
Produkt pochodzi z oferty sklepu Texas Instruments