elecena.pl

3 GHz Fast Responding Linear Power Detector with 40dB Dynamic Range

Texas Instruments

3 GHz Fast Responding Linear Power Detector with 40dB Dynamic Range RSS Sample
  • Darmowa próbka
MPN:
LMH2121
Producent:
TEXAS INSTRUMENTS
Dodany do bazy:
Ostatnio widziany:

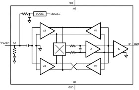
The LMH2121 is an accurate fast-responding power detector / RF envelope detector. Its response between an RF input signal and DC output signal is linear. The typical response time of 165 ns makes the device suitable for an accurate power setting in handsets during a rise time of RF transmission slots. It can be used in all popular communications standards: 2G/3G/4G/WAP.

The LMH2121 has an input range from −28 dBm to +12 dBm. Over this input range the device has an intrinsic high insensitivity for temperature, supply voltage and loading. The bandwidth of the device is from 100 MHz to 3 GHz, covering 2G/3G/4G/WiFi wireless bands.

As a result of the unique internal architecture, the device shows an extremely low part-to-part variation of the detection curve. This is demonstrated by its low intercept and slope variation as well as a very good linear conformance. Consequently the required characterization and calibration efforts are low.

The device is active for EN = High; otherwise it is in a low power consumption shutdown mode. To save power and allow for two detector outputs in parallel, the output (OUT) is high impedance during shutdown.

The LMH2121 is offered in a tiny 4-bump DSBGA package: 0.866 mm x 1.07 mm x 0.6 mm.

Elecena nie prowadzi sprzedaży elementów elektronicznych, ani w niej nie pośredniczy.

Produkt pochodzi z oferty sklepu