elecena.pl

High performance, low phase noise, low skew clock synchronizer that synchronizes ref clock to VCXO

Texas Instruments

High performance, low phase noise, low skew clock synchronizer that synchronizes ref clock to VCXO RSS Sample
  • Darmowa próbka
MPN:
CDCM7005
Producent:
TEXAS INSTRUMENTS
Dodany do bazy:
Ostatnio widziany:

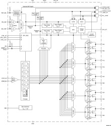
The CDCM7005 is a high-performance, low phase noise and low skew clock synchronizer that synchronizes a VCXO (voltage controlled crystal oscillator) or VCO (voltage controlled oscillator) frequency to one of the two reference clocks. The programmable pre-divider M and the feedback-dividers N and P give a high flexibility to the frequency ratio of the reference clock to VC(X)O

VC(X)OIN clock operates up to 2.2 GHz. Through the selection of external VC(X)O and loop filter components, the PLL loop bandwidth and damping factor can be adjust to meet different system requirements.

The CDCM7005 can lock to one of two reference clock inputs (PRIREF and SECREF), supports frequency hold-over mode and fast-frequency-locking for fail-safe and increased system redundancy. The outputs of the CDCM7005 are user definable and can be any combination of up to five LVPECL outputs or up to 10 LVCMOS outputs. The built in synchronization latches ensure that all outputs are synchronized for low output skew.

All device settings, like outputs signaling, divider value, and input selection are programmable by SPI (3-wire serial peripheral interface). SPI allows individually control of the device settings.

The device operates in 3.3-V environment and is characterized for operation from –40°C to 85°C.

Elecena nie prowadzi sprzedaży elementów elektronicznych, ani w niej nie pośredniczy.

Produkt pochodzi z oferty sklepu