elecena.pl

24-Bit, 780SPS ADC w/ Flash Memory, 8 Ch, VREF, Buffer, 2 IDACs, Serial Out, Digital I/O, Low Power

Texas Instruments

24-Bit, 780SPS ADC w/ Flash Memory, 8 Ch, VREF, Buffer, 2 IDACs, Serial Out, Digital I/O, Low Power RSS Sample
  • Darmowa próbka
MPN:
ADS1218
Producent:
TEXAS INSTRUMENTS
Dodany do bazy:
Ostatnio widziany:

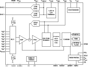
The ADS1218 is a precision, wide dynamic range, delta-sigma, Analog-to-Digital (A/D) converter with 24-bit resolution and Flash memory operating from 2.7V to 5.25V supplies. The delta-sigma, A/D converter provides up to 24 bits of no missing code performance and effective resolution of 22 bits.

The eight input channels are multiplexed. Internal buffering can be selected to provide a very high input impedance for direct connection to transducers or low-level voltage signals. Burnout current sources are provided that allow for the detection of an open or shorted sensor. An 8-bit Digital-to-Analog (D/A) converter provides an offset correction with a range of 50% of the FSR (Full-Scale Range).

The PGA (Programmable Gain Amplifier) provides selectable gains of 1 to 128 with an effective resolution of 19 bits at a gain of 128. The A/D conversion is accomplished with a second-order delta-sigma modulator and programmable sinc filter. The reference input is differential and can be used for ratiometric conversion. The on-board current DACs (Digital-to-Analog Converters) operate independently with the maximum current set by an external resistor.

The serial interface is SPI-compatible. Eight bits of digital I/O are also provided that can be used for input or output. The ADS1218 is designed for high-resolution measurement applications in smart transmitters, industrial process control, weight scales, chromatography, and portable instrumentation.

Elecena nie prowadzi sprzedaży elementów elektronicznych, ani w niej nie pośredniczy.

Produkt pochodzi z oferty sklepu