16-Bit 500 kSPS 2 ADCs, 4ch, serial out
Texas Instruments
RSS
Sample
- Darmowa próbka
- MPN:
- ADS8361
- Producent:
- TEXAS INSTRUMENTS
- Dodany do bazy:
- Ostatnio widziany:
Sugerowane produkty dla bit500
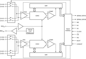
The ADS8361 is a dual, 16-bit, 500kSPS, Analog-to-Digital (A/D) converter with four fully differential input channels grouped into two pairs for high-speed, simultaneous signal acquisition. Inputs to the sample-and-hold amplifiers are fully differential and are maintained differentially to the input of the A/D converter. This provides excellent common-mode rejection of 80dB at 50kHz, which is important in high-noise environments.
The ADS8361 offers a high-speed, dual serial interface and control inputs to minimize software overhead. The output data for each channel is available as a 16-bit word. The ADS8361 is offered in SSOP-24 and QFN-32 (5x5) packages and is fully specified over the -40°C to +125°C operating range.
Elecena nie prowadzi sprzedaży elementów elektronicznych, ani w niej nie pośredniczy.
Produkt pochodzi z oferty sklepu Texas Instruments