8-Bit High Speed µP Compatible A/D Converter with Track/Hold Function
Texas Instruments
RSS
Sample
- Darmowa próbka
- MPN:
- ADC0820-N
- Producent:
- TEXAS INSTRUMENTS
- Dodany do bazy:
- Ostatnio widziany:
Sugerowane produkty dla adc0820
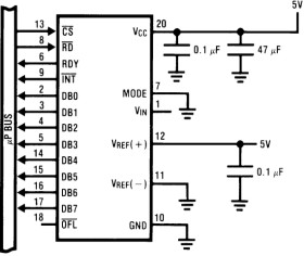
By using a half-flash conversion technique, the 8-bit ADC0820-N CMOS A/D offers a 1.5 µs conversion time and dissipates only 75 mW of power. The half-flash technique consists of 32 comparators, a most significant 4-bit ADC and a least significant 4-bit ADC.
The input to the ADC0820-N is tracked and held by the input sampling circuitry eliminating the need for an external sample-and-hold for signals moving at less than 100 mV/µs.
For ease of interface to microprocessors, the ADC0820-N has been designed to appear as a memory location or I/O port without the need for external interfacing logic.
Elecena nie prowadzi sprzedaży elementów elektronicznych, ani w niej nie pośredniczy.
Produkt pochodzi z oferty sklepu Texas Instruments