elecena.pl

8-Bit, 5 us Quad DAC, Parallel Input, Simultaneous Update, Binary Input Coding

Texas Instruments

8-Bit, 5 us Quad DAC, Parallel Input, Simultaneous Update, Binary Input Coding RSS Sample
  • Darmowa próbka
MPN:
TLC7225
Producent:
TEXAS INSTRUMENTS
Dodany do bazy:
Ostatnio widziany:

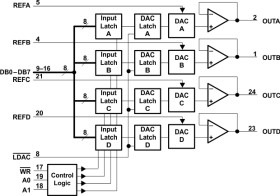
The TLC7225 consists of four 8-bit voltage-output digital-to-analog converters (DACs), with output buffer amplifiers and interface logic with double register-buffering.

Separate on-chip latches are provided for each of the DACs. Data is transferred into one of these data latches through a common 8-bit TTL/CMOS-compatible (5 V) input port. Control inputs A0 and A1 determine which DAC is loaded when WR\ goes low. Only the data held in the DAC registers determines the analog outputs of the converters. The double register buffering allows simultaneous update of all four outputs under control of LDAC\. All logic inputs are TTL- and CMOS-level compatible and the control logic is speed compatible with most 8-bit microprocessors. Each DAC includes an output buffer amplifier capable of driving up to 5 mA of output current.

The TLC7225 performance is specified for input reference voltages from 2 V to VDD - 4 V with dual supplies. The voltage-mode configuration of the DACs allow the TLC7225 to be operated from a single power-supply rail at a reference of 10 V.

The TLC7225 is fabricated in a LinBiCMOSTM process that has been specifically developed to allow high-speed digital logic circuits and precision analog circuits to be integrated on the same chip. The TLC7225 has a common 8-bit data bus with individual DAC latches. This provides a versatile control architecture for simple interface to microprocessors. All latch-enable signals are level triggered.

Combining four DACs, four operational amplifiers, and interface logic into a small, 0.3-inch wide, 24-terminal SOIC allows significant reduction in board space requirements and offers increased reliability in systems using multiple converters. The pinout optimizes board layout with all of the analog inputs and outputs at one end of the package and all of the digital inputs at the other.

The TLC7225C is characterized for operation from 0°C to 70°C. The TLC7225I is characterized for operation from -25°C to 85°C.

Elecena nie prowadzi sprzedaży elementów elektronicznych, ani w niej nie pośredniczy.

Produkt pochodzi z oferty sklepu