8-Bit 8-Ch. 1/3 us DAC, Ser. Input, Pgrmable Settling Time/Power Consump, Low Power, PwrDn, Int Ref
Texas Instruments
RSS
Sample
- Darmowa próbka
- MPN:
- TLV5632
- Producent:
- TEXAS INSTRUMENTS
- Dodany do bazy:
- Ostatnio widziany:
Sugerowane produkty dla pgrmable
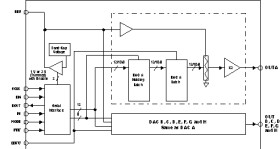
The TLV5630, TLV5631, and TLV5632 are pin-compatible,eight-channel, 12-/10-/8-bit voltage output DACs each with a flexible serial interface. The serial interface allows glueless interface to TMS320 and SPI, QSPI, and Microwire serial ports. It is programmed with a 16-bit serial string containing 4 control and 12 data bits.
Additional features are a power-down mode, an LDAC input for simultaneous update of all eight DAC outputs, and a data output which can be used to cascade multiple devices, and an internal programmable band-gap reference.
The resistor string output voltage is buffered by a rail-to-rail output amplifier with a programmable settling time to allow the designer to optimize speed vs power dissipation. The buffered, high-impedance reference input can be connected to the supply voltage.
Implemented with a CMOS process, the DACs are designed for single-supply operation from 2.7 V to 5.5 V, and can operate on two separate analog and digital power supplies. The devices are available in 20-pin SOIC and TSSOP packages.
Elecena nie prowadzi sprzedaży elementów elektronicznych, ani w niej nie pośredniczy.
Produkt pochodzi z oferty sklepu Texas Instruments