elecena.pl

5-65 MHz 24-bit Color FPD-Link II Deserializer with Image Enhancement

Texas Instruments

5-65 MHz 24-bit Color FPD-Link II Deserializer with Image Enhancement RSS Sample
  • Darmowa próbka
MPN:
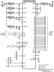
DS90UR916Q-Q1
Producent:
TEXAS INSTRUMENTS
Dodany do bazy:
Ostatnio widziany:

The DS90UR916Q FPD-Link II deserializer operates with the DS90UR905Q FPD-Link II serializer to deliver 24-bit digital video data over a single differential pair. The DS90UR916Q provides features designed to enhance image quality at the display. The high speed serial bus scheme of FPD-Link II greatly eases system design by eliminating skew problems between clock and data, reduces the number of connector pins, reduces the interconnect size, weight, and cost, and overall eases PCB layout. In addition, internal DC balanced decoding is used to support AC-coupled interconnects.

The DS90UR916Q Des (deserializer) recovers the data (RGB) and control signals and extracts the clock from the serial stream. The Des locks to the incoming serial data stream without the use of a training sequence or special SYNC patterns, and does not require a reference clock. A link status (LOCK) output signal is provided. The DS90UR916Q is ideally suited for 24-bit color applications. White balance lookup tables and adaptive Hi-FRC dithering provide the user a cost-effective means to enhance display image quality.

Serial transmission is optimized with user selectable receiver equalization. EMI is minimized by the use of low voltage differential signaling, output slew control, and the Des may be configured to generate Spread Spectrum Clock and Data on its parallel outputs.

The DS90UR916Qis offered in a 60-pin WQFN package. It is specified over the automotive AEC-Q100 grade 2 temperature range of -40°C to +105°C.

Elecena nie prowadzi sprzedaży elementów elektronicznych, ani w niej nie pośredniczy.

Produkt pochodzi z oferty sklepu