elecena.pl

Micro - Mini USB Interface with Integrated 28V Linear Charger

Texas Instruments

Micro - Mini USB Interface with Integrated 28V Linear Charger RSS Sample
  • Darmowa próbka
MPN:
LP8727
Producent:
TEXAS INSTRUMENTS
Dodany do bazy:
Ostatnio widziany:

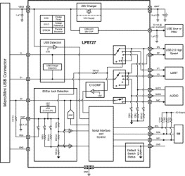
The LP8727 is designed to provide automatic multiplexing switches between Micro/Mini USB connector and USB, UART and Audio paths in cellular phone applications. It also contains a single-input Li-Ion battery charger and an overvoltage-protected LDO. Programming is handled via an I2C-compatible Serial Interface allowing control of charger, multiplexing switches, and reading status information of the device.

The multiplexing switches on USB and UART support high-speed USB, and Audio inputs can be driven to negative voltage rail. The LP8727 is compatible with USB charging specifications rev 1.1 from USB IF.

The Li-Ion charger requires few external components and integrates the power FET. Charging is thermally regulated to obtain the most efficient charging rate for a given ambient temperature. It has Overvoltage Protection (OVP) circuit at the charger input protects the PMU from input voltages up to +28V, eliminating the need for any external protection circuitry.

An overvoltage-protected LDO which can supply up to 50 mA is designed for powering up a low-voltage USB transceiver or waking up a PMU (Power Management Unit) when an external power source (either USB VBUS or wall adapter) is connected to the USB connector.

The LP8727 PMU is available in 25-bump 0.4 mm pitch thin DSBGA package (2.015 mm x 2.015 mm).

Elecena nie prowadzi sprzedaży elementów elektronicznych, ani w niej nie pośredniczy.

Produkt pochodzi z oferty sklepu