5-V dual voltage clamp
Texas Instruments
RSS
Sample
Przejdź do sklepu »
- Darmowa próbka
- MPN:
- SN74TVC3306
- Producent:
- TEXAS INSTRUMENTS
- Dodany do bazy:
- Ostatnio widziany:
Sugerowane produkty dla sn74tvc3306
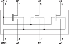
The SN74TVC3306 device provides three parallel NMOS pass transistors with a common unbuffered gate. The low on-state resistance of the switch allows connections to be made with minimal propagation delay.
The device can be used as a dual switch, with the gates cascaded together to a reference transistor. The low-voltage side of each pass transistor is limited to a voltage set by the reference transistor. This is done to protect components with inputs that are sensitive to high-state voltage-level overshoots.
Elecena nie prowadzi sprzedaży elementów elektronicznych, ani w niej nie pośredniczy.
Produkt pochodzi z oferty sklepu Texas Instruments