Dual D-Type Positive-Edge-Triggered Flip-Flops With Clear and Preset
Texas Instruments
RSS
Sample
- Darmowa próbka
- MPN:
- SN74HCT74
- Producent:
- TEXAS INSTRUMENTS
- Dodany do bazy:
- Ostatnio widziany:
Sugerowane produkty dla hct74
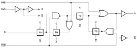
The ’HCT74 devices contain two independent D-type positive-edge-triggered flip-flops. A low level at the preset ( PRE) or clear ( CLR) inputs sets or resets the outputs, regardless of the levels of the other inputs. When PRE and CLR are inactive (high), data at the data (D) input meeting the setup time requirements are transferred to the outputs on the positive-going edge of the clock (CLK) pulse. Clock triggering occurs at a voltage level and is not directly related to the rise time of CLK. Following the hold-time interval, data at the D input may be changed without affecting the levels at the outputs.
Elecena nie prowadzi sprzedaży elementów elektronicznych, ani w niej nie pośredniczy.
Produkt pochodzi z oferty sklepu Texas Instruments