elecena.pl

2.5V, 4:1, 11-channel analog multiplexer suitable for DDR-II applications

Texas Instruments

2.5V, 4:1, 11-channel analog multiplexer suitable for DDR-II applications RSS Sample
  • Darmowa próbka
MPN:
SN74CBTU4411
Producent:
TEXAS INSTRUMENTS
Dodany do bazy:
Ostatnio widziany:

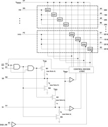
The SN74CBTU4411 device is a high-bandwidth, SSTL18 compatible FET multiplexer/demultiplexer with low ON-state resistance (ron). The device uses an internal charge pump to elevate the gate voltage of the pass transistor, providing a low and flat ron. The low and flat ron allows for minimal propagation delay and supports rail-to-rail signaling on data input/output (I/O) ports. The device also features very low data I/O capacitance to minimize capacitive loading and signal distortion on the data bus. Matched ron and I/O capacitance among channels results in extremely low differential and rising or falling edge skew. This allows the device to show optimal performance in DDR-II applications.

Elecena nie prowadzi sprzedaży elementów elektronicznych, ani w niej nie pośredniczy.

Produkt pochodzi z oferty sklepu