elecena.pl

IEEE 802.3af, 600mA capable, PD controller

Texas Instruments

IEEE 802.3af, 600mA capable, PD controller RSS Sample
  • Darmowa próbka
MPN:
TPS2376-H
Producent:
TEXAS INSTRUMENTS
Dodany do bazy:
Ostatnio widziany:

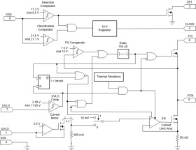
The 8-pin integrated circuit contains all of the features needed to develop a high power IEEE 802.3af style powered device (PD). The TPS2376-H offers a higher current limit and increased thermal dissipation capability over the TPS237X family of devices. The TPS2376-H implements a fully compliant PoE interface while permitting non-standard implementations that draw more power. A 26 W PD may be constructed when working from a 52-V minimum PSE over 100 m of CAT-5 cable. The TPS2376-H features a 100-V rating, 600-mA capability, adjustable inrush limiting, fault protection with auto-retry, and true open-drain power-good functionality.

Elecena nie prowadzi sprzedaży elementów elektronicznych, ani w niej nie pośredniczy.

Produkt pochodzi z oferty sklepu