2-ch, 1A loading, 1.5A ILIMIT, 2.7-5.5V, 70mΩ USB power switch, active-high
Texas Instruments
RSS
Sample
- Darmowa próbka
- MPN:
- TPS2066
- Producent:
- TEXAS INSTRUMENTS
- Dodany do bazy:
- Ostatnio widziany:
Sugerowane produkty dla ilimit
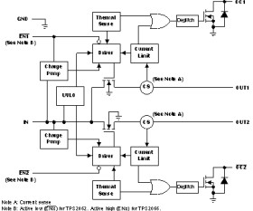
The TPS206x power-distribution switches are intended for applications where heavy capacitive loads and short-circuits are likely to be encountered. This device incorporates 70mΩ N-channel MOSFET power switches for power-distribution systems that require multiple power switches in a single package. Each switch is controlled by a logic enable input. Gate drive is provided by an internal charge pump designed to control the power-switch rise times and fall times to minimize current surges during switching. The charge pump requires no external components and allows operation from supplies as low as 2.7V.
Elecena nie prowadzi sprzedaży elementów elektronicznych, ani w niej nie pośredniczy.
Produkt pochodzi z oferty sklepu Texas Instruments