elecena.pl

2-ch, 5.5-V, 0.5-A, 435-mΩ load switch with output discharge

Texas Instruments

2-ch, 5.5-V, 0.5-A, 435-mΩ load switch with output discharge RSS Sample
  • Darmowa próbka
MPN:
TPS22960
Producent:
TEXAS INSTRUMENTS
Dodany do bazy:
Ostatnio widziany:

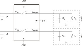
The TPS22960 is a small low-rON dual-channel load switch with controlled turnon. The devices contain two P-channel MOSFETs that can operate over an input voltage range of 1.62V to 5.5V. Each switch is independently controlled by on/off inputs (ON1 and ON2), which are capable of interfacing directly with low-voltage control signals. In TPS22960 a 85Ω on-chip load resistor is added for quick discharge when the switch is turned off.

The rise time (slew-rate) of the device is internally controlled in order to avoid inrush current, and it can be slowed down if needed using the SR pin: at 3.3V, TPS22960 features a 75µs rise time with the SR pin tied to ground and 660µs with the SR pin tied to high.

The TPS22960 is available in a space-saving 8-pin UQFN package and in an 8-pin SOT package. It is characterized for operation over the free-air temperature range of –40°C to 85°C.

Elecena nie prowadzi sprzedaży elementów elektronicznych, ani w niej nie pośredniczy.

Produkt pochodzi z oferty sklepu