elecena.pl

Standalone 1-3 cell 4A synchronous Buck battery charger with JEITA compliance and Power Path

Texas Instruments

Standalone 1-3 cell 4A synchronous Buck battery charger with JEITA compliance and Power Path RSS Sample
  • Darmowa próbka
MPN:
BQ24171
Producent:
TEXAS INSTRUMENTS
Dodany do bazy:
Ostatnio widziany:

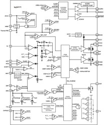
The bq24171 device is highly integrated stand-alone Li-ion and Li-polymer switched-mode battery charger with two integrated N-channel power MOSFETs. The device offers a constant-frequency synchronous PWM controller with high-accuracy regulation of input current, charge current, and voltage. The bq24171 closely monitors the battery pack temperature and allows charge only in a JEITA profile-compatible window with a lower charge rate at a low temperature and a lower charge voltage at a high temperature. The bq24171 device charges the battery in three phases: preconditioning, constant current, and constant voltage. The bq24171 charges up to 3-series cells with an adjustable cell voltage.

The bq24171 charges the battery in three phases: preconditioning, constant current, and constant voltage. The device is adjustable for up to three series Li+ cells.

Charge is terminated when the current reaches 10% of the fast charge rate. A programmable charge timer offers a safety backup. The bq24171 automatically restarts the charge cycle if the battery voltage falls below an internal threshold, and enters a low-quiescent current sleep mode when the input voltage falls below the battery voltage.

The bq24171 features Dynamic Power Management (DPM) to reduce the charge current when the input power limit is reached to avoid overloading the adapter. A highly accurate current-sense amplifier enables precise measurement of input current from adapter to monitor overall system power.

The bq24171 device provides power path selector gate driver ACDRV/CMSRC on input NMOS pair ACFET (Q1) and RBFET (Q2), and BATDRV on a battery PMOS device (Q3). When the qualified adapter is present, the system is directly connected to the adapter. Otherwise, the system is connected to the battery. In addition, the power path prevents battery from boosting back to the input.

The bq24171 charges battery from DC source as high as 17 V, including car battery. The input overvoltage limit is adjustable through the OVPSET pin. The AVCC, ACP and ACN pins are 30-V rating. When a high-voltage DC source is inserted, Q1 and Q2 remain off to avoid high voltage damage to the system.

For 1-cell applications, if the battery is not removable, the system can be directly connected to the battery to simplify the power path design and reduce the cost. With this configuration, the battery can automatically supplement the system load if the adapter is overloaded.

The bq24171 is available in a 24-pin, 5.5-mm × 3.5-mm thin QFN package.

Elecena nie prowadzi sprzedaży elementów elektronicznych, ani w niej nie pośredniczy.

Produkt pochodzi z oferty sklepu