elecena.pl

Generation 1 1.1A, Single-Input 5-V Power Supply IC for Contactless Charging Applications

Texas Instruments

Generation 1 1.1A, Single-Input 5-V Power Supply IC for Contactless Charging Applications RSS Sample
  • Darmowa próbka
MPN:
BQ25046
Producent:
TEXAS INSTRUMENTS
Dodany do bazy:
Ostatnio widziany:

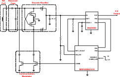
The bq25046 is a highly integrated linear power supply IC targeted at both wired and wireless power applications. With an accurate 5-V regulated output and integrated 3.3-V LDO, the bq25046 is an ideal solution for wireless power supply solutions up to 5 W.

The bq25046 integrates several functions which enable a wireless charging solution within a small area and low component count. These include a 3.3-V LDO which drives an MSP430BQ1010 wireless controller, high-accuracy current sense for calculating receiver-side power usage, 100mA/400mA current limits enable robust communication at all load current levels, and integrated pass FET acts as load disconnect switch and 5-V regulator to protect downstream circuitry. In addition, the bq25046 has an absolute maximum input voltage of 30 V and an OVP threshold of 15 V, which enables safe and robust operation in inductive power transfer systems that use either resistive or capacitive load modulation.

Elecena nie prowadzi sprzedaży elementów elektronicznych, ani w niej nie pośredniczy.

Produkt pochodzi z oferty sklepu