elecena.pl

Standalone 1-3 cell 4A synchronous Buck battery charger with Power Path selector

Texas Instruments

Standalone 1-3 cell 4A synchronous Buck battery charger with Power Path selector RSS Sample
  • Darmowa próbka
MPN:
BQ24170
Producent:
TEXAS INSTRUMENTS
Dodany do bazy:
Ostatnio widziany:

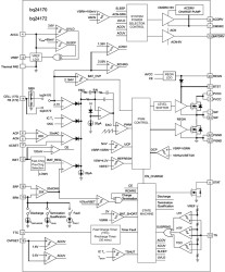
The bq2417x device is a highly integrated stand-alone Li-Ion and Li-Polymer switched-mode battery charger with two integrated N-channel power MOSFETs. The device offers a constant-frequency synchronous PWM controller with high-accuracy regulation of input current, charge current, and voltage. The bq2417x closely monitors the battery pack temperature to allow charge only in a preset temperature window. The bq24170 charges one, two, or three cells (selected by CELL pin), and the bq24172 is adjustable for up to three series Li+ cells.

The device charges the battery in three phases: precondictioning, constant current, and constant voltage.

Charge is terminated when the current reaches 10% of the fast charge rate. A programmable charge timer offers a safety backup. The bq2417x automatically restarts the charge cycle if the battery voltage falls below an internal threshold, and enters a low-quiescent current sleep mode when the input voltage falls below the battery voltage.

The bq2417x features Dynamic Power Management (DPM) to reduce the charge current when the input power limit is reached to avoid overloading the adapter. A highly accurate current-sense amplifier enables precise measurement of input current from adapter to monitor overall system power.

The bq2417x provides power path selector gate driver ACDRV/CMSRC on input NMOS pair ACFET (Q1) and RBFET (Q2), and BATDRV on a battery PMOS device (Q3). When the qualified adapter is present, the system is directly connected to the adapter. Otherwise, the system is connected to the battery. In addition, the power path prevents battery from boosting back to the input.

The bq2417x charges a battery from a DC source as high as 17 V, including a car battery. The input overvoltage limit is adjustable through the OVPSET pin. The AVCC, ACP, and ACN pins have a 30-V rating. When a high-voltage DC source is inserted, Q1 and Q2 remain off to avoid high voltage damage to the system.

For 1-cell applications, if the battery is not removable, the system can be directly connected to the battery to simplify the power path design and reduce the cost. With this configuration, the battery can automatically supplement the system load if the adapter is overloaded.

The bq2417x is available in a 24-pin, 5.5-mm × 3.5-mm thin VQFN package.

Elecena nie prowadzi sprzedaży elementów elektronicznych, ani w niej nie pośredniczy.

Produkt pochodzi z oferty sklepu