elecena.pl

Standalone 1-6 cell Buck battery charge controller with JEITA compliance

Texas Instruments

Standalone 1-6 cell Buck battery charge controller with JEITA compliance RSS Sample
  • Darmowa próbka
MPN:
BQ24616
Producent:
TEXAS INSTRUMENTS
Dodany do bazy:
Ostatnio widziany:

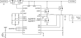
The bq2461x device is a highly integrated, Japan Electronic Information Technology Association (JEITA) guideline-compatible, Li-ion or Li-polymer switched-mode battery charge controller. The device offers a constant-frequency synchronous switching PWM controller with high-accuracy charge current and voltage regulation, charge preconditioning, termination, adapter current regulation, and charge status monitoring

The bq2461x charges the battery in three phases: preconditioning, constant current, and constant voltage. Charge is terminated when the current reaches a minimum user-selectable level. A programmable charge timer provides a safety backup. The bq2461x automatically restarts the charge cycle if the battery voltage falls below an internal threshold, and enters a low quiescent current sleep mode when the input voltage falls below the battery voltage.

Elecena nie prowadzi sprzedaży elementów elektronicznych, ani w niej nie pośredniczy.

Produkt pochodzi z oferty sklepu