elecena.pl

Standalone 1-6 cell Buck battery charge controller

Texas Instruments

Standalone 1-6 cell Buck battery charge controller RSS Sample
  • Darmowa próbka
MPN:
BQ24600
Producent:
TEXAS INSTRUMENTS
Dodany do bazy:
Ostatnio widziany:

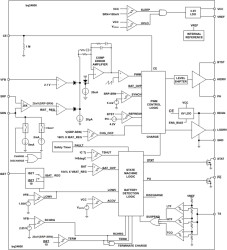
The bq24600 is a highly integrated Li-ion or Li-polymer switch-mode battery-charge controller. It offers a constant-frequency synchronous PWM controller with high-accuracy charge current and voltage regulation, charge preconditioning, termination, and charge status monitoring,

The bq24600 charges the battery in three phases: preconditioning, constant current, and constant voltage. Charge is terminated when the current reaches a minimum level. An internal charge timer provides a safety backup. The bq24600 automatically restarts the charge cycle if the battery voltage falls below an internal threshold, and enters a low-quiescent-current sleep mode when the input voltage falls below the battery voltage.

Elecena nie prowadzi sprzedaży elementów elektronicznych, ani w niej nie pośredniczy.

Produkt pochodzi z oferty sklepu