elecena.pl

SBS 1.1-compliant gas gauge and protector

Texas Instruments

SBS 1.1-compliant gas gauge and protector RSS Sample
  • Darmowa próbka
MPN:
BQ3060
Producent:
TEXAS INSTRUMENTS
Dodany do bazy:
Ostatnio widziany:

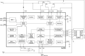
The Texas Instruments bq3060 Battery Manager is a fully integrated, single-chip, pack-based solution that provides a rich array of features for gas gauging, protection, and authentication for 2, 3, or 4 series cell Li-Ion battery packs. With a footprint of merely 7.8 mm × 6.4 mm in a compact 24-pin TSSOP package, the bq3060 maximizes functionality and safety while dramatically cutting the solution cost and size for smart batteries.

Using its integrated high-performance analog peripherals, the bq3060 measures and maintains an accurate record of available capacity, voltage, current, temperature, and other critical parameters in Li-Ion or Li-Polymer batteries, and reports the information to the system host controller over an SMBus 1.1-compatible interface.

The bq3060 provides software-first level and second level safety protection on overvoltage, undervoltage, overtemperature, and overcharge, as well as hardware-overcurrent in discharge, short circuit in charge, and discharge protection.

Elecena nie prowadzi sprzedaży elementów elektronicznych, ani w niej nie pośredniczy.

Produkt pochodzi z oferty sklepu