elecena.pl

Overvoltage and Overcurrent Protection IC

Texas Instruments

Overvoltage and Overcurrent Protection IC RSS Sample
  • Darmowa próbka
MPN:
BQ24308
Producent:
TEXAS INSTRUMENTS
Dodany do bazy:
Ostatnio widziany:

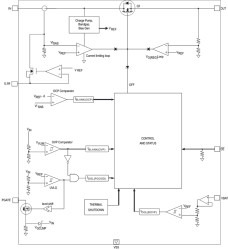
The bq24308 device is a highly integrated circuit (IC) designed to provide protection to Li-ion batteries from failures of the charging circuit. The device continuously monitors the input voltage, the input current, and the battery voltage. In case of an input overvoltage condition, the device immediately removes power from the charging circuit by turning off an internal switch. In the case of an overcurrent condition, it limits the system current to a safe value for a blanking duration before turning the switch off. Battery voltage may also be monitored and if the battery voltage exceeds the specified value the internal switch is turned off. Additionally, the device also monitors its own die temperature and switches off if it becomes too hot.

The input overcurrent threshold can be increased using an external resistor. The device also offers optional protection against reverse voltage at the input using an external P-channel FET.

Elecena nie prowadzi sprzedaży elementów elektronicznych, ani w niej nie pośredniczy.

Produkt pochodzi z oferty sklepu