Overvoltage/Overcurrent Protection IC and Li+ Charger Front-End Protection IC with LDO Mode,10.5 OVP
Texas Instruments
RSS
Sample
- Darmowa próbka
- MPN:
- BQ24382
- Producent:
- TEXAS INSTRUMENTS
- Dodany do bazy:
- Ostatnio widziany:
Sugerowane produkty dla bq24381
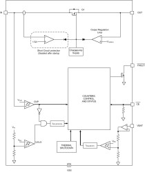
The bq2438x family of devices are charger front-end integrated circuits (ICs) designed to provide protection to Li-ion batteries from failures of the charging circuit. The device continuously monitors the input voltage and battery voltage. The device operates like a linear regulator, maintaining a 5.5-V (bq24380) or 5-V (bq24381, bq24382) output with input voltages up to the Input overvoltage threshold. During input overvoltage conditions, the device immediately turns off the internal pass FET disconnecting the charging circuit from the damaging input source. Additionally, if the battery voltage rises to unsafe levels while charging, power is removed from the system. The device checks for short-circuit or overload conditions at its output when turning the pass FET on, and if it finds unsafe conditions, it switches off and then rechecks the conditions. Additionally, the device also monitors its die temperature and switches off if it exceeds 140°C.
When the device is controlled by a processor, the device provides status information about fault conditions to the host.
Elecena nie prowadzi sprzedaży elementów elektronicznych, ani w niej nie pośredniczy.
Produkt pochodzi z oferty sklepu Texas Instruments