elecena.pl

3-phase sensored trapezoidal control BLDC gate driver for -40°C to +105°C applications

Texas Instruments

3-phase sensored trapezoidal control BLDC gate driver for -40°C to +105°C applications RSS Sample
  • Darmowa próbka
MPN:
UC2625
Producent:
TEXAS INSTRUMENTS
Dodany do bazy:
Ostatnio widziany:

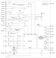
The UC3625 family of motorcontroller devices integrate most of the functions required for high-performance brushless dc-motor control into one package. When coupled with external power MOSFETs or Darlingtons, these devices perform fixed-frequency PWM motor control in either voltage or current mode while implementing closed-loop speed control and braking with smart noise rejection, safe direction reversal, and cross–conduction protection.

Although specified for operation from power supplies between 10 V and 18 V, the UC1625 controls higher voltage power devices with external level-shifting components. The UC1625 contains fast, high-current push-pull drivers for low-side power devices and 50-V open-collector outputs for high-side power devices or level-shifting circuitry.

The UC1625 is characterized for operation over the military temperature range of –55°C to +125°C, while the UC2625 is characterized from –40°C to +105°C and the UC3625 is characterized from 0°C to +70°C. (Note: ESD Protection to 2 kV)

Elecena nie prowadzi sprzedaży elementów elektronicznych, ani w niej nie pośredniczy.

Produkt pochodzi z oferty sklepu