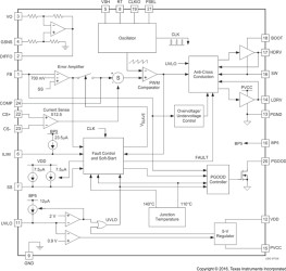
Single Phase Stackable Controller
Texas Instruments
RSS
Sample
- Darmowa próbka
- MPN:
- TPS40180
- Producent:
- TEXAS INSTRUMENTS
- Dodany do bazy:
- Ostatnio widziany:
Sugerowane produkty dla etrim
The TPS40180 is a stackable single-phase synchronous buck controller. Stacking allows a modular power supply design where multiple modules can be connected in parallel to achieve higher power capability. Stacked modules can be configured at the same switching frequency with interleaved phase shift to reduce input and output ripple current. Stacked modules can also be configured to generate separate output rails at the same time as different phase shift to reduce input ripple current.
The TPS40180 is optimized for low-output voltage (from 0.7-V to 5.8-V), high-output current applications powered from a 2-V to 40-V supply.
With eTrim™, the TPS40180 gives the user the capability to trim the reference voltage on the device to compensate for external component tolerances, tightening the overall system accuracy and allowing tighter specifications for output voltage of the converter.
Elecena nie prowadzi sprzedaży elementów elektronicznych, ani w niej nie pośredniczy.
Produkt pochodzi z oferty sklepu Texas Instruments