4.5-V to 52-V wide input range current mode boost controller with 700-mV reference voltage
Texas Instruments
RSS
Sample
- Darmowa próbka
- MPN:
- TPS40210-Q1
- Producent:
- TEXAS INSTRUMENTS
- Dodany do bazy:
- Ostatnio widziany:
Sugerowane produkty dla tps40211
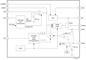
The TPS40210-Q1 and TPS40211-Q1 devices are wide-input-voltage (4.5 V to 52 V) non-synchronous boost controllers. They are suitable for topologies that require a grounded source N-channel FET, including boost, flyback, SEPIC, and various LED driver applications. Device features include programmable soft start, overcurrent protection with automatic retry, and programmable oscillator frequency. Current-mode control provides improved transient response and simplified loop compensation. The main difference between the two parts is the reference voltage to which the error amplifier regulates the FB pin.
Elecena nie prowadzi sprzedaży elementów elektronicznych, ani w niej nie pośredniczy.
Produkt pochodzi z oferty sklepu Texas Instruments