3V to 5.5V input, DCAP2, 1MHz, Step-Down DC/DC Converter for nVidia Graphics PEX (PCI-Express) Rail
Texas Instruments
RSS
Sample
- Darmowa próbka
- MPN:
- TPS51313
- Producent:
- TEXAS INSTRUMENTS
- Dodany do bazy:
- Ostatnio widziany:
Sugerowane produkty dla tps51313
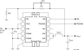
The TPS51313 is an easy-to-use, fully integrated, synchronous buck converter for low voltage point-of-load applications. It is designed to meet the NVIDIA OpenVreg Type 0 specifications, including the package and footprint requirement. It supports 3-A (maximum) of dc output current at output voltages from 0.6 V to 3.3 V. The D-CAP2 mode adaptive, constant on-time control with 1-MHz switching frequency allows a small footprint when designed using all ceramic output capacitors and offers a low external component count. The device also features auto-skip function at light load condition, pre-biased start-up and internally fixed soft-start time. When the device is disabled, the output capacitor is discharged through internal resistor. The TPS51313 is available in a 3 mm x 3 mm, 10-pin DRC package (Green RoHS compliant and Pb free) and is specified between –10°C and 85°C.
Elecena nie prowadzi sprzedaży elementów elektronicznych, ani w niej nie pośredniczy.
Produkt pochodzi z oferty sklepu Texas Instruments