elecena.pl

2.95V to 6V Input, 6A Synchronous Step-Down SWIFT™ Converter with Hiccup Current Limit

Texas Instruments

2.95V to 6V Input, 6A Synchronous Step-Down SWIFT™ Converter with Hiccup Current Limit RSS Sample
  • Darmowa próbka
MPN:
TPS54678
Producent:
TEXAS INSTRUMENTS
Dodany do bazy:
Ostatnio widziany:

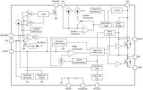
TPS54678 device is a full-featured 6-V, 6-A, synchronous step-down current mode converter with two integrated MOSFETs.

TPS54678 enables small designs by integrating the MOSFETs, implementing current mode control to reduce external component count, reducing inductor size by enabling up to 2-MHz switching frequency, and minimizing the IC footprint with a small 3-mm × 3-mm thermally enhanced WQFN package.

TPS54678 provides accurate regulation for a variety of loads with an accurate ±1% voltage reference (VREF) over temperature.

Efficiency is maximized through the integrated 12-mΩ MOSFETs. Using the enable (EN) pin, shutdown supply current is reduced by disabling the device.

The output voltage start-up ramp is controlled by the soft-start (SS) pin that can also be configured for sequencing or tracking. Monotonic start-up is achieved with prebiased voltage. Undervoltage lockout can be increased by programming the threshold with a resistor divider on the enable pin. An open-drain power good signal indicates the output is within 93% to 105% of its nominal voltage.

Cycle-by-cycle current limit, hiccup overcurrent protection and thermal shutdown protect the device during an overcurrent condition.

Elecena nie prowadzi sprzedaży elementów elektronicznych, ani w niej nie pośredniczy.

Produkt pochodzi z oferty sklepu