elecena.pl

2.95V to 6V Input, 6A, Synchronous Step-Down SWIFT™ Converter

Texas Instruments

2.95V to 6V Input, 6A, Synchronous Step-Down SWIFT™ Converter RSS Sample
  • Darmowa próbka
MPN:
TPS54618
Producent:
TEXAS INSTRUMENTS
Dodany do bazy:
Ostatnio widziany:

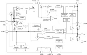
The TPS54618 device is a full-featured 6-V, 6-A, synchronous step-down current-mode converter with two integrated MOSFETs.

The TPS54618 enables small designs by integrating the MOSFETs, implementing current-mode control to reduce external component count, reducing inductor size by enabling up to 2-MHz switching frequency, and minimizing the IC footprint with a small, 3-mm × 3-mm, thermally-enhanced WQFN package.

The TPS54618 provides accurate regulation for a variety of loads with an accurate ±1% voltage reference (VREF) over temperature.

Efficiency is maximized through the integrated 12-mΩ MOSFETs and 515-µA typical supply current. Using the enable pin, shutdown supply current is reduced to 5.5-µA by entering a shutdown mode.

Undervoltage lockout is internally set at 2.6 V, but can be increased by programming the threshold with a resistor network on the enable pin. The output-voltage start-up ramp is controlled by the slow-start pin. An open-drain power-good signal indicates the output is within 93% to 107% of its nominal voltage.

Frequency foldback and thermal shutdown protect the device during an overcurrent condition.

For more SWIFT™ documentation, see the TI website at www.ti.com/swift.

Elecena nie prowadzi sprzedaży elementów elektronicznych, ani w niej nie pośredniczy.

Produkt pochodzi z oferty sklepu