elecena.pl

3.5V to 42V Input, 2.5A Step-Down Converter with Eco-Mode

Texas Instruments

3.5V to 42V Input, 2.5A Step-Down Converter with Eco-Mode RSS Sample
  • Darmowa próbka
MPN:
TPS54240
Producent:
TEXAS INSTRUMENTS
Dodany do bazy:
Ostatnio widziany:

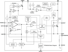
The TPS54240 device is a 42-V, 2.5-A, step-down regulator with an integrated high-side MOSFET. Current mode control provides simple external compensation and flexible component selection. A low-ripple, pulse skip mode reduces the no load, regulated output supply current to 138 µA. Using the enable pin, shutdown supply current is reduced to 1.3 µA, when the enable pin is low.

Undervoltage lockout is internally set at 2.5 V, but it can be increased using the enable pin. The output voltage startup ramp is controlled by the slow-start pin that can also be configured for sequencing and tracking. An open-drain power good signal indicates the output is within 94% to 107% of its nominal voltage.

A wide switching frequency range allows efficiency and optimization of external component size. Frequency foldback and thermal shutdown protects the part during an overload condition.

The TPS54240 is available in 10-pin, thermally-enhanced HVSSOP and 10-pin 3-mm × 3-mm PowerPAD package.

Elecena nie prowadzi sprzedaży elementów elektronicznych, ani w niej nie pośredniczy.

Produkt pochodzi z oferty sklepu