elecena.pl

3.5V to 42V Input, 0.5A Step-Down Converter with Eco-Mode

Texas Instruments

3.5V to 42V Input, 0.5A Step-Down Converter with Eco-Mode RSS Sample
  • Darmowa próbka
MPN:
TPS54040
Producent:
TEXAS INSTRUMENTS
Dodany do bazy:
Ostatnio widziany:

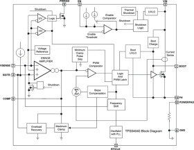
The TPS54040 device is a 42-V, 0.5-A, step down regulator with an integrated high side MOSFET. Current mode control provides simple external compensation and flexible component selection. A low ripple pulse skip mode reduces the no load, regulated output supply current to 116 µA. Using the enable pin, shutdown supply current is reduced to 1.3 µA, when the enable pin is low.

Under voltage lockout is internally set at 2.5 V, but can be increased using the enable pin. The output voltage startup ramp is controlled by the slow start pin that can also be configured for sequencing/tracking. An open drain power good signal indicates the output is within 93% to 107% of its nominal voltage.

A wide switching frequency range allows efficiency and external component size to be optimized. Frequency fold back and thermal shutdown protects the part during an overload condition.

The TPS54040 is available in 10-pin thermally enhanced HVSSOP PowerPAD package.

Elecena nie prowadzi sprzedaży elementów elektronicznych, ani w niej nie pośredniczy.

Produkt pochodzi z oferty sklepu