elecena.pl

3V to 6V Input, 3A Synchronous Step-Down Converter

Texas Instruments

3V to 6V Input, 3A Synchronous Step-Down Converter RSS Sample
  • Darmowa próbka
MPN:
TPS54310
Producent:
TEXAS INSTRUMENTS
Dodany do bazy:
Ostatnio widziany:

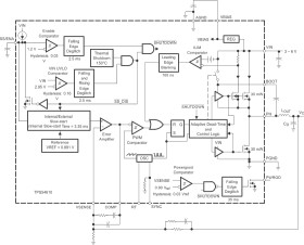
As a member of one of TI’s families of dc/dc regulators, the TPS54310 low-input-voltage high- output-current synchronous-buck PWM converter integrates all required active components. Included on the substrate with the listed features are a true, high performance, voltage error amplifier that provides high performance under transient conditions; an undervoltage-lockout circuit to prevent start-up until the input voltage reaches 3 V; an internally and externally set slow-start circuit to limit in-rush currents; and a power good output useful for processor/logic reset, fault signaling, and supply sequencing.

The TPS54310 device is available in a thermally enhanced 20-pin HTSSOP (PWP) PowerPAD™ package, which eliminates bulky heatsinks. TI provides evaluation modules to aid in quickly achieving high- performance power supply designs to meet aggressive equipment development cycles.

Elecena nie prowadzi sprzedaży elementów elektronicznych, ani w niej nie pośredniczy.

Produkt pochodzi z oferty sklepu