3V to 6V Input, 6A Synchronous Step-Down Converter
Texas Instruments
RSS
Sample
- Darmowa próbka
- MPN:
- TPS54610
- Producent:
- TEXAS INSTRUMENTS
- Dodany do bazy:
- Ostatnio widziany:
Sugerowane produkty dla tps54610
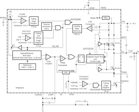
The TPS54610 low-input voltage high-output current synchronous buck PWM converter integrates all required active components. Included on the substrate with the listed features are a true, high performance, voltage error amplifier that enables maximum performance and flexibility in choosing the output filter L and C components; an undervoltage-lockout circuit to prevent start-up until the input voltage reaches 3 V; an internally or externally set slow-start circuit to limit inrush currents; and a power good output useful for processor/logic reset, fault signaling, and supply sequencing.
The TPS54610 is available in a thermally enhanced 28-pin HTSSOP (PWP) PowerPAD™ package, which eliminates bulky heatsinks. TI provides evaluation modules to aid in quickly achieving high-performance power supply designs to meet aggressive equipment development cycles.
Elecena nie prowadzi sprzedaży elementów elektronicznych, ani w niej nie pośredniczy.
Produkt pochodzi z oferty sklepu Texas Instruments