3V to 6V Input, 6A Synchronous Step-Down SWIFT™ Converter with 2.5V Output
Texas Instruments
RSS
Sample
- Darmowa próbka
- MPN:
- TPS54615
- Producent:
- TEXAS INSTRUMENTS
- Dodany do bazy:
- Ostatnio widziany:
Sugerowane produkty dla tps5461x
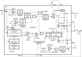
The SWIFT™ family of dc/dc regulators, the TPS54611, TPS54612, TPS54613, TPS54614, TPS54615 and TPS54616 low-input voltage high-output current synchronous-buck PWM converters integrate all required active components. Included on the substrate are true, high-performance, voltage error amplifiers that provide high performance under transient conditions; an under-voltage-lockout circuit to prevent start-up until the input voltage reaches 3 V; an internally and externally set slow-start circuit to limit in-rush currents; and a powergood output useful for processor/logic reset, fault signaling, and supply sequencing.
The TPS5461x devices are available in a thermally enhanced 28-pin TSSOP (PWP) PowerPAD™ package, which eliminates bulky heatsinks. TI provides evaluation modules and the SWIFT™ designer software tool to aid in quickly achieving high-performance power supply designs to meet aggressive equipment development cycles.
Elecena nie prowadzi sprzedaży elementów elektronicznych, ani w niej nie pośredniczy.
Produkt pochodzi z oferty sklepu Texas Instruments