elecena.pl

28-V, 85% Efficient Boost Converter in QFN-8, Digitally Adjustable

Texas Instruments

28-V, 85% Efficient Boost Converter in QFN-8, Digitally Adjustable RSS Sample
  • Darmowa próbka
MPN:
TPS61045
Producent:
TEXAS INSTRUMENTS
Dodany do bazy:
Ostatnio widziany:

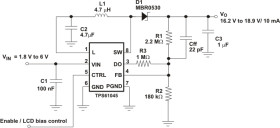
The TPS61045 device is a high-frequency boost converter with digitally-programmable output voltage and true shutdown. During shutdown, the output is disconnected from the input by opening the internal input switch. This allows a controlled power-up and power-down sequencing of the display. The output voltage can be increased or decreased in digital steps by applying a logic signal to the CTRL pin. The output voltage range, as well as the output voltage step size, can be programmed with the feedback divider network. With a high switching frequency of up to 1 MHz, the TPS61045 device allows the use of small external components, and together, with the small 8-pin VSON package, a minimum system solution size is achieved.

Elecena nie prowadzi sprzedaży elementów elektronicznych, ani w niej nie pośredniczy.

Produkt pochodzi z oferty sklepu