AVS System Controller
Texas Instruments
RSS
Sample
Przejdź do sklepu »
- Darmowa próbka
- MPN:
- LM10000
- Producent:
- TEXAS INSTRUMENTS
- Dodany do bazy:
- Ostatnio widziany:
Sugerowane produkty dla lm10000
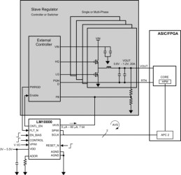
The LM10000 is used to enable Adaptive Voltage Scaling (AVS) to non-AVS regulators. It includes a complete Slave Power Controller (SPC 2.0) to communicate to the PowerWise Interface (PWI 2.0), and a programmable current output DAC that allows voltage control to any regulator utilizing a feedback node/resistors to set the output voltage.
In addition to enabling AVS the LM10000 allows the system to control power states such as sleep and shutdown, and to configure the voltage step slew rate from the PWI.
Elecena nie prowadzi sprzedaży elementów elektronicznych, ani w niej nie pośredniczy.
Produkt pochodzi z oferty sklepu Texas Instruments