elecena.pl

Advanced half-bridge/full-bridge PWM controller with pre-bias operation for offline applications

Texas Instruments

Advanced half-bridge/full-bridge PWM controller with pre-bias operation for offline applications RSS Sample
  • Darmowa próbka
MPN:
UCC28251
Producent:
TEXAS INSTRUMENTS
Dodany do bazy:
Ostatnio widziany:

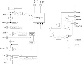
The UCC28251 PWM controller is designed for high power density applications that may have stringent prebiased startup requirements. The UCC28251’s integrated synchronous rectifier control outputs target high efficiency and high performance topologies such as half-bridge, full-bridge, interleaved forward, and push-pull. The UCC27210 half bridge drivers and UCC2752x MOSFET drivers used in conjunction with the UCC28251 provide a complete power converter solution.

The UCC28251 is a functional variant of the UCC28250 PWM Controller. While the same basic functionality of the UCC28250 is largely maintained, the UCC28251 is designed to enhance performance in both offline, 400-V input DC-to-DC applications and 48-V input full-bridge or half-bridge applications.

Externally programmable soft-start, used in conjunction with an internal pre-biased startup circuit, allows the controller to gradually reach a steady-state operating point under all output conditions. The UCC28251 can be configured for primary or secondary-side control and either voltage or current mode control can be implemented.

The oscillator operates at frequencies up to 1.8 MHz, and can be synchronized to an external clock. Input voltage feedforward, cycle-by-cycle current limit, and a programmable hiccup timer allow the system to stay within a safe operation range. Input voltage, output voltage and temperature protection can be implemented. Dead time between primary-side switch and secondary-side synchronous rectifiers can be independently programmed.

Elecena nie prowadzi sprzedaży elementów elektronicznych, ani w niej nie pośredniczy.

Produkt pochodzi z oferty sklepu