elecena.pl

2MHz, 4 rail, 6 phase digital PWM buck controller

Texas Instruments

2MHz, 4 rail, 6 phase digital PWM buck controller RSS Sample
  • Darmowa próbka
MPN:
UCD9246
Producent:
TEXAS INSTRUMENTS
Dodany do bazy:
Ostatnio widziany:

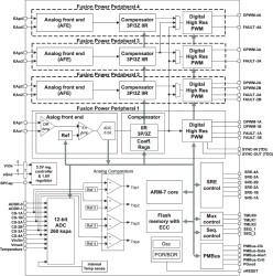
The UCD9246 is a multi-rail, multi-phase synchronous buck digital PWM controller designed for non-isolated DC/DC power applications. This device integrates dedicated circuitry for DC/DC loop management with flash memory and a serial interface to support configurability, monitoring and management.

The UCD9246 was designed to provide a wide variety of desirable features for non-isolated DC/DC converter applications while minimizing the total system component count by reducing external circuits. The solution integrates multi-loop management with sequencing, margining, tracking and intelligent phase management to optimize for total system efficiency. Additionally, loop compensation and calibration are supported without the need to add external components.

To facilitate configuring the device, the Texas Instruments Fusion Digital Power Designer is provided. This PC based Graphical User Interface offers an intuitive interface to the device. This tool allows the design engineer to configure the system operating parameters for the application, store the configuration to on-chip non-volatile memory and observe both frequency domain and time domain simulations for each of the power stage outputs.

TI has also developed multiple complementary power stage solutions – from discrete drivers in the UCD7k family to fully tested power train modules in the PTD family. These solutions have been developed to complement the UCD9k family of system power controllers.

Elecena nie prowadzi sprzedaży elementów elektronicznych, ani w niej nie pośredniczy.

Produkt pochodzi z oferty sklepu